
<EV充電器の販売> 見積書と仕様書、外形図準備ご提供 <EV充電器の工事> 据付工事、基礎工事、電気配線、土木工事(衝突防止ポールなど) <補助金申請サポート>疑問をお調べしてご協力致します。
弊社取扱のEV充電器
普通EV充電器
パナソニック様、日東工業様を3kW6kW出力モデルを取り扱っております。
充電時間:出力=充電時間になります。日産リーフ60kWhのバッテリを搭載しております。 単純計算ですが60kWh÷6kW=10時間充電になります。日産サクラは6kW約4時間です。 普通充電器の充電口はJ1722を採用しており国産車であればどの自動車メーカーでも充電可能です。
※海外製テスラーなどは充電口の変換プラグが必要になります。車両のディーラー様までお問い合わせください。


急速EV充電器
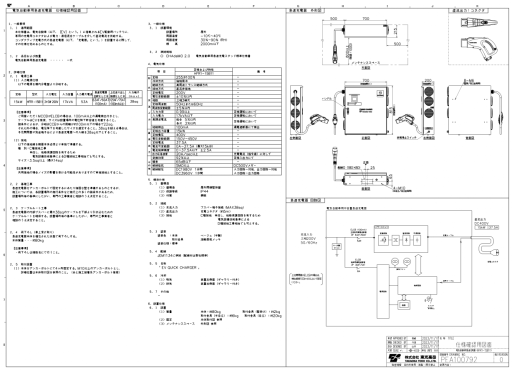
東光高岳様 ニチコン様などを販売しております。急速充電器本体外にも電気設備改造や新設などで初期投資が高額になりますが出力50kW~150kWなど高出力の為、充電時間が短くなっております。 ご参考までに10kW以上の出力を急速充電器と定義されております。
充電時間:日産リーフ60kWhを150kWで充電した場合約24分で充電が完了致します。 充電口はCHAdeMO規格を採用しており国産車であればどの自動車メーカーでも充電可能です。


営業車、配送車、従業員様自家用車にお勧め 中速充電器壁掛モデル

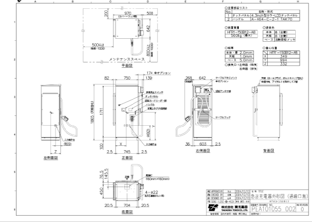
東光高岳製HFR1-15B11
EV中速充電器15kW出力で設置場所も薄さ200mm壁掛可能です。充電時間も普通充電器よりも早く 日産リーフ60kWhを4時間で充電できます。
EV充電器施工
普通充電器の工事:3kVAは単相100V 6kVAは単相200Vが必要になります。建物分電盤~壁掛タイプ充電器や自立タイプ充電器まで配線を致します。
【確認事項】 ①分電盤ブレーカー空き ②充電器を追加する事によって電力会社の契約容量を超えないのか?主幹容量や電力明細で確認が必要です。
【主な工事】 ①分電盤~充電器までの配線 ②充電器の設置取付工事になります 単純工事の場合30万円~40万円 主な追加工事は分電盤改造費用、自立用基礎コンクリート、車両衝突防止ポールなどがございます。
急速充電器の工事:三相200Vや400Vが必要になります。主にキュービクル(高圧設備)からの配線となります。多くの建物には急速充電器用の空きの確保が難しい為、コンビニの充電施設のように同一敷地内複数契約を可能とする特別措置を利用して設置検討される場合ございます。必要設備は次項にて説明いたしますが単純工事の場合500万~800万になります。

EV急速充電器で検討が必要な設備
施工に必要な設備

基礎(充電器本体の下部のコンクリート) 急速充電器は強固な基礎にアンカーボルトで固定しなくてはなりません。埋設ケーブル配線用の配管も事前施工する必要がございます。

衝突防止ポール 全出力20kW以上の急速充電器は消防法における火災予防条例の規制対象で届けが必要になります。管轄の消防署判断になりますが衝突防止ポールなど設備を求められることが多くなっておりますので設置をお勧めいたします。


ケーブルマネジメント 急速充電器は大電流を流す為、ケーブルが太く重たくなっております。充電ケーブル使用後の放置による歩行者の転倒や車両がケーブルを踏むことによっての断線故障など防げます。
各社充電器メーカーのオプション品になりますがご検討いただいた方が良いかともいます。
その他設備
- 屋根(カーポート) :充電時に雨を凌ぐ為
- 電灯 :夜間充電の為
- 消火器 :管轄の消防署判断になりますが求められる場合あります。
課金システム導入の場合

案内表示板やEV充電駐車スペース表示 利用者が迷わずに到着するように案内表示を設置する例が多いです。 補助金申請の条件に含まれる場合があるのでご注意が必要です。※左記案内を表示する場合は東京電力HD様に申請が必要です。
特別措置で電柱から直接入線(充電器15kW、30kW、50kW)

低圧電力(動力)契約の施工例
引込コンクリート電柱 電力会社からの引き込み線の受け手として必要です。電力会社が準備するCT(電力メーターなど)を取り付けるために必要です。
引き込み開閉盤 室内用の分電盤と役割は同じです。EV充電器のメンテナンス時に電力を遮断作業などに使われます。EV充電器が故障時に100Vなど供給できるように回路設計すると便利です。普通充電ケーブルにて充電できます。
特別措置で電柱から直接入線(充電器120kW、150kW)


急速充電器が高出力120kW以上の三相400Vの施工ですと必要になります。
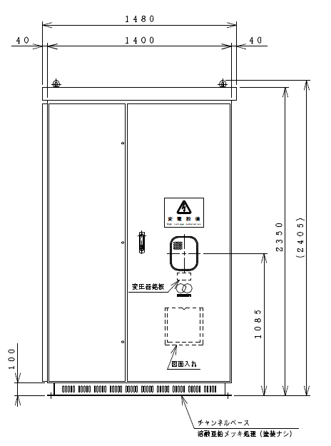
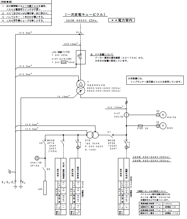
引込コンクリート柱、引き込み開閉盤以外に急速充電器用高圧キュービクル 高圧受電6600Vを急速充電器用(三相400V)に降圧する装置です。キュービクルはトランスが内蔵され筐体が大きく設置スペースがとられます。弊社からご提供可能なキュービクルはメーカー協力設計でコンパクトです。トップランナー2026規格に準ずる製品です。
各ご相談を対応致します。
■EV充電器の選定・販売 見積書と仕様書、外形図などご提供させて頂きます。



■EV充電器用開閉盤やキュービクルの販売 見積書と仕様書、外形図などご提供させて頂きます。


■EV充電器の工事 据付工事、基礎工事、電気配線、土木工事(衝突防止ポールなど)協力会社ともに承ります。地域によっては施工体制が整っていない場合がございますので、詳しくはお問い合わせください
■EV充電器の補助金に関して 申請代行業は行っておりませんが弊社過去の経験値ですがWeb申請のお手伝いできることはお調べなどしてご協力させて頂きます。






